電氣火災監控探測器老是報警,該怎么解決?
電氣火災監控探測器老是報警,該怎么解決?
海灣消防給大家介紹一下剩余電流式電氣火災監控探測器原理,分享給大家!在安裝完剩余電流式電氣火災探測器開通調試時,經常出現漏電電流大而報警300mA~500mA之間可以適當調節一下報警閥值,實際上往往會出現因配電線路布設、接線等問題造成的探測器檢測電流遠遠大于500mA而報警的問題。
一方面可能線路存在嚴重漏電,這就必須高度重視查找和消除隱患;另一方面可能所監測電氣線路已超出最大電流泄露值,需重新合理選擇探測器監測位置;但多數原因是由于被檢測線路穿過互感器時不規范導致主機報警,此時應盡快進行線路查看并糾正,消除誤報警情況。
產生漏電的常見情況:
1、互感器零線方向穿反;
解決辦法:檢查零線,搞清楚出線方向,正確穿過互感器。

2、互感器用戶側負載零線由于破皮、絕緣老化、接頭包裹不嚴等原因導致對地絕緣不良。

3、互感器用戶側零線重復接地;或零線、地線混用,造成人為漏電。

4、互感器用戶側零線有負載接到互感器前的相線,即保護區域以外的其他線路與用戶側“共零”。這種為了敷設方便的不規范線路安裝非常常見。哪怕只是走廊或強電電井里的幾個燈泡,就足以造成探測器報警(一個25W的燈泡產生的電流在200mA左右)。

5、同一配電箱內,不同路監測的電流互感器后線路串電(包括火線和零線)。

6、不同配電箱出線的零線跨區混用,不同配電箱出線的零線并接或通過其他途徑間接搭接。

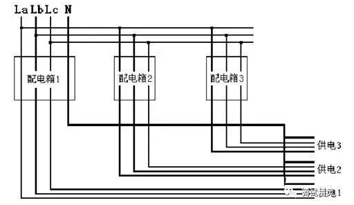
7、剩余電流探測器安裝選點錯誤,如下圖:只有總進線處及供電1、2、3路可以裝設漏電保護裝置(并要確保它們后面都是各自獨立的),其他位置都無法裝設,包括所有三個配電箱。

擴展資料:
常見問題
1、配電柜未預留監控探測器和剩余電流互感器位置
有不少這樣的情況:設計需要增補剩余電流報警,監控探測器和互感器的型號尚未最后確定,或未取得監控探測器和互感器的實物和準確尺寸數據,配電柜就先行投入裝配。結果遲到的探測器和互感器沒有合適的安裝空間,造成配電柜返工。應先采購監控探測器和剩余電流互感器,至少要取得樣品,合理規劃好配電柜面板和內部布局,才進行配電柜的制作和裝配。
2、監控探測器在配電柜內位置不當
監控探測器應安裝在配電柜面板(或柜門)上。有不少配電柜的裝配為了簡便,把探測器裝在柜內。當柜門關上后,聲光報警都感覺不到了,保護在很大程度上就失去意義。如果一定要裝在柜內,則必須保證探測器的報警燈光和聲響不被屏蔽。
3、監控探測器電源取電點不當
探測器的工作電源應從斷路器的進線端取出,即使斷路器分斷,探測器仍能工作。
探測器工作電源和取樣的零線(N、No)如果取自剩余電流互感器的上游,則其相線也必須取自剩余電流互感器的上游。有時因配電柜內布局所限,也可以把剩余電流互感器安排在斷路器的進線端,這時探測器工作電源和取樣都應取自剩余電流互感器的下游。
電氣火災設備供應商對設備采購方的終極建議:
1.設備采購前,與電氣火災供應商溝通,根據圖紙清點好數量,確定設備選型。
2.聯系控制柜廠家,提供電氣火災監控探測器的尺寸便于控制柜廠家安裝,控制柜廠家安裝都比較專用和規范。
3.以上都互相溝通了,由控制柜廠家提出實際需求量——電氣火災設備供應商發貨——控制柜廠家安裝——現場布線調試,這樣可大大減小現場施工難度。同時也避免了上面常見問題的出現。
圖紙清點中的幾個小經驗,不一定都是對的,僅為個人見解,僅供參考:
1.根據圖紙中IjS(A)電流,沒有則通過開關大小選擇與之匹配的剩余式互感器允許的最大電流,常見廠家最大通過電流值一般為:100A、250A、350A、630A、1250A,極少數能上2000A,一般來說以350A為界,低于的一般選擇圓形的,線路多為線纜。高壓350A的多為銅牌,一般選用方形的剩余互感器。

2.單個柜子一般建議選用一體式的,如上圖,模塊和互感器集成為一體的那種,如果需要測溫度,則選用帶一路剩余電流和一路溫度的。分體式的多為一個模塊探測多路剩余電流或溫度,常出現于低壓配電柜中,如下圖,由于柜子的特殊結構,故多采用分體式的,可靈活分布。一定要注意互感器的選項,避免互感器不能安裝的問題。

海灣消防公司主營:海灣消防報警系統銷售,消防設備安裝,海灣氣體滅火、海灣電氣火災、消防水噴淋系統施工安裝,售后維修,海灣消防網站:http://www.huayu77.com/;海灣消防服務熱線:4006-598-119
本頁關鍵詞:電氣火災監控探測器老是報警,該怎么解決?


蘇公網安備32058102002147號